Tein rear spring sag

Thread Tools
 
Search this Thread
 
Old Mar 9, 2026 | 10:35 PM
  #1  
Rus-H's Avatar
Thread Starter
Intermediate
20 Year Member
Photogenic
 
Joined: Aug 2003
Posts: 32
Likes: 3
From: Mount Vernon, WA
Tein rear spring sag

Six years ago Tein S-Tech springs were installed. The rear springs now have sagged to the point that there is no gap between the fender and the top of the tire. Fortunately I've got 215/50/R17's on stock rims, so the tire is safely inside the fender. However, I bought some 2007 TL wheels (17" x 8") with 235/45/R17 tires; being 0.75" wider they will most definitely encroach on the fender.

Does anyone know if it is possible to just buy another pair of rear springs from Tein?

Rus
Rear springs have sagged such that top of tire is even with wheel opening.
Rear springs have sagged such that top of tire is even with wheel opening.
Reply
Old Mar 10, 2026 | 07:40 AM
  #2  
zeta's Avatar
Suzuka Master
20 Year Member
Liked
Loved
Community Favorite
iTrader: (1)
 
Joined: Aug 2003
Posts: 6,891
Likes: 2,205
From: S. Florida
^
Unless you can find a used set of Tein S-Tech's for the CL-S, I'm thinking Tein does not just sell the rears alone?
With that said, There are two different Tein S-Tech spring kits made for the CL-S that reflect two different part numbers & ride height changes, as shown below.

If you have the paper work, from the previous owner, that lists the specific Tein part number for the springs on your car, perhaps, you have the Tein SKA34-S3B00's that result in 1.8" drop for the rear?
Reply
Old Mar 10, 2026 | 11:21 AM
  #3  
Rus-H's Avatar
Thread Starter
Intermediate
20 Year Member
Photogenic
 
Joined: Aug 2003
Posts: 32
Likes: 3
From: Mount Vernon, WA
The paperwork I have says SKA34-AUB00. Here’s a pic from when they were originally installed. Notice there is more gap between the top of the wheel and the fender lip.
Fresh Tein springs SKA34-AUB00
Fresh Tein springs SKA34-AUB00
Reply
Old Mar 10, 2026 | 12:18 PM
  #4  
zeta's Avatar
Suzuka Master
20 Year Member
Liked
Loved
Community Favorite
iTrader: (1)
 
Joined: Aug 2003
Posts: 6,891
Likes: 2,205
From: S. Florida
^
The link below is where I obtained the information shown below.
TEIN S.Tech Lowering Springs Kit Acura 01-03 CL / 99-03 TL Base & Type-S ALL NEW | eBay

Looks like they may tend to 'sag' because Tein actually has a 1 year Defect & Sag warranty.




Here is what I installed, a couple of weeks ago, on my CL-S6 though they are pricey.
They replaced 20+ y/o Comptech Sport springs and Tokico Blue struts.


Last edited by zeta; Mar 10, 2026 at 12:27 PM.
Reply
Old Mar 17, 2026 | 05:39 PM
  #5  
Rus-H's Avatar
Thread Starter
Intermediate
20 Year Member
Photogenic
 
Joined: Aug 2003
Posts: 32
Likes: 3
From: Mount Vernon, WA
I ended up buying a new set of SKA34-C3B00 springs from the same eBay vendor. This should raise the current stance of the car to a 1.2" drop, from a 1.8" drop, to accommodate the wider wheels.
Reply
Old Mar 17, 2026 | 06:08 PM
  #6  
zeta's Avatar
Suzuka Master
20 Year Member
Liked
Loved
Community Favorite
iTrader: (1)
 
Joined: Aug 2003
Posts: 6,891
Likes: 2,205
From: S. Florida
That's a great price shipped over Tein's MSRP of $425.


How much of the support components do you expect to replace while there, if any, if the previous owner just reused the old factory parts?

Reply
Old Mar 17, 2026 | 06:13 PM
  #7  
Rus-H's Avatar
Thread Starter
Intermediate
20 Year Member
Photogenic
 
Joined: Aug 2003
Posts: 32
Likes: 3
From: Mount Vernon, WA
I ordered new KYB Excel-G struts front & back. These were originally installed with the springs 70,000 miles ago, but I figured while I have the springs out I might as well change out the struts. I was planning to evaluate the components on the struts once they units are out.
Reply
Old Mar 21, 2026 | 03:32 PM
  #8  
Rus-H's Avatar
Thread Starter
Intermediate
20 Year Member
Photogenic
 
Joined: Aug 2003
Posts: 32
Likes: 3
From: Mount Vernon, WA
I ordered the rest of the components and am going to "bench" assemble the springs & struts before moving to the installation phase. (I'm borrowing a shop). Once I get the car on the hoist I hope to just swap out entire units.

I'm concerned about getting the orientation of the top plates and the chassis connections lined up properly during the bench assembly, knowing I won't have the old parts out of the car to look at. Any advice?
Reply
Old Mar 21, 2026 | 06:31 PM
  #9  
zeta's Avatar
Suzuka Master
20 Year Member
Liked
Loved
Community Favorite
iTrader: (1)
 
Joined: Aug 2003
Posts: 6,891
Likes: 2,205
From: S. Florida

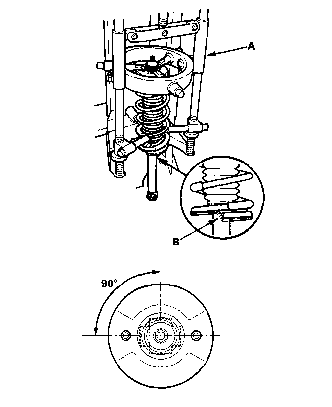
Front



Damper/Spring Replacement

Special Tools Required
Strut spring compressor, Branick MST-580A or Model 7200 or equivalent, commercially available
Removal
1.Raise the front of the vehicle, and make sure it is securely supported. Remove the front wheels.

2.Remove the damper fork.
^1 Remove the damper pinch bolt (A).
^2 Remove the self-locking nut (B) and flange bolt (C) from the damper fork (D).
^3 Remove the damper fork from the damper.


3.Remove the damper by removing the five flange nuts from the top of the damper.
NOTE: Damper springs are different, left and right. Mark the springs L and R before you continue.
Disassembly/Inspection

1.Compress the damper spring with a commercially available strut spring compressor (A) according to the manufacturer's instructions, then remove the self-locking nut (B). Do not compress the spring more than necessary to remove the nut.
2.Release the pressure from the strut spring compressor, then disassemble the damper as shown in the Exploded View.
3.Reassemble all parts, except the spring.
4.Compress the damper assembly by hand, and check for smooth operation through a full stroke, both compression and extension. The damper should extend smoothly and constantly when the compression is released. If it does not, the gas is leaking, and the damper should be replaced.
5.Check for oil leaks, abnormal noises, and binding during these tests.
Reassembly

1.Install the damper unit on a commercially available strut spring compressor (A).
2.Assemble the damper in the reverse order of removal except for the rubber bushing, washer, and self-locking nut. Align the bottom end of damper spring and the stepped part of the spring lower seat (B).

3.Position the mount base (A) on the damper unit.
4.Compress the damper spring with the spring compressor.

5.Install the rubber bushing, washer (A), and a new 10 mm self-locking nut (B).
6.Hold the damper shaft with a hex wrench, and tighten the 10 mm self-locking nut to the specified torque.
Installation

1.Install the damper (A) on the frame with the aligning tab (B) facing inside, then loosely install the five flange nuts (C).

2.Install the damper fork (A) over the driveshaft and onto the lower arm. Install the damper in the damper fork so the aligning tab (B) is aligned with the slot in the damper fork.
3.Loosely install the damper pinch bolt (C) on the damper fork.
4.Loosely install a new self-locking nut (D) with the flange bolt (E).
5.Raise the lower arm with a floor jack until the vehicle just lifts off the safety stand.
6.Tighten the damper pinch bolt to the specified torque.
7.Tighten the flange bolt and the self-locking nut to the specified torque.
8.Tighten the flange nuts on the top of the damper to the specified torque.
9.Install the front wheels.

Rear


Damper/Spring Replacement
Special Tools Required
Strut spring compressor, Branick MST-580A or Model 7200 or equivalent, Commercially Available
Removal
1.Raise the rear of the vehicle, and make sure it is securely supported. Remove the rear wheels.
2.Remove the rear shelf.

3.Remove the two flange nuts (A).
4.Place a jack under the knuckle to support the suspension.

5.Remove the flange bolt (A) from the knuckle.
6.Remove the flange nut (B) while holding the joint pin (C) with a hex wrench (D), and disconnect the stabilizer link (E) from the stabilizer link bracket.
7.Lower the rear suspension, and remove the damper (F) from the vehicle.
NOTE: Damper springs are different, left and right. Mark the springs L and R before you continue.
Disassembly/Inspection

1.Compress the damper spring with a commercially available strut spring compressor (A) according to the manufacturer's instructions, then remove the self-locking nut (B). Do not compress the spring more than necessary to remove the self-locking nut.
2.Release the pressure from the strut spring compressor, then disassemble the damper as shown in the Exploded View.
3.Reassemble all parts, except the spring.
4.Compress the damper assembly by hand, and check for smooth operation through a full stroke, both compression and extension. The damper should extends smoothly and constantly when the compression is released. If it does not, the gas is leaking, and the damper should be replaced.
5.Check for oil leaks, abnormal noises, and binding during these tests.
Reassembly

1.Install the damper unit on a commercially available strut spring compressor (A).
2.Assemble the damper in the reverse order of disassembly, except for the washer and self-locking nut. Align the bottom end of the damper spring and the stepped part of the spring lower seat (B).
3.Position the damper mounting base on the damper unit.
4.Compress the damper spring with the spring compressor.

5.Install the washer(A), and loosely install a new self-locking nut (B).
6.Hold the damper shaft with a hex wrench, and tighten the self-locking nut.
Installation

1.Lower the rear suspension, position the damper (A), and loosely install the two flange nuts (B).

2.Loosely install the flange bolt (A) and nut (B) of the stabilizer link.
3.Raise the rear suspension with a floor jack until the vehicle just lifts off the safety stand.
4.Tighten the flange bolt at the bottom of the damper to the specified torque.
5.Tighten the flange nut of the stabilizer link ball joint to the specified torque while holding the joint pin (C) with a hex wrench (D).
6.Tighten the two flange nuts on top of the damper to the specified torque.
7.Install the rear shelf.
8.Install the rear wheels.
9.Set the rear wheel alignment.

Reply
Old Mar 23, 2026 | 01:12 PM
  #10  
Juiceball's Avatar
Cruisin'
 
Joined: Oct 2023
Posts: 18
Likes: 0
From: Eastern CT
Originally Posted by zeta

Front



Damper/Spring Replacement

Special Tools Required
Strut spring compressor, Branick MST-580A or Model 7200 or equivalent, commercially available
Removal
1.Raise the front of the vehicle, and make sure it is securely supported. Remove the front wheels.

2.Remove the damper fork.
^1 Remove the damper pinch bolt (A).
^2 Remove the self-locking nut (B) and flange bolt (C) from the damper fork (D).
^3 Remove the damper fork from the damper.


3.Remove the damper by removing the five flange nuts from the top of the damper.
NOTE: Damper springs are different, left and right. Mark the springs L and R before you continue.
Disassembly/Inspection

1.Compress the damper spring with a commercially available strut spring compressor (A) according to the manufacturer's instructions, then remove the self-locking nut (B). Do not compress the spring more than necessary to remove the nut.
2.Release the pressure from the strut spring compressor, then disassemble the damper as shown in the Exploded View.
3.Reassemble all parts, except the spring.
4.Compress the damper assembly by hand, and check for smooth operation through a full stroke, both compression and extension. The damper should extend smoothly and constantly when the compression is released. If it does not, the gas is leaking, and the damper should be replaced.
5.Check for oil leaks, abnormal noises, and binding during these tests.
Reassembly

1.Install the damper unit on a commercially available strut spring compressor (A).
2.Assemble the damper in the reverse order of removal except for the rubber bushing, washer, and self-locking nut. Align the bottom end of damper spring and the stepped part of the spring lower seat (B).

3.Position the mount base (A) on the damper unit.
4.Compress the damper spring with the spring compressor.

5.Install the rubber bushing, washer (A), and a new 10 mm self-locking nut (B).
6.Hold the damper shaft with a hex wrench, and tighten the 10 mm self-locking nut to the specified torque.
Installation

1.Install the damper (A) on the frame with the aligning tab (B) facing inside, then loosely install the five flange nuts (C).

2.Install the damper fork (A) over the driveshaft and onto the lower arm. Install the damper in the damper fork so the aligning tab (B) is aligned with the slot in the damper fork.
3.Loosely install the damper pinch bolt (C) on the damper fork.
4.Loosely install a new self-locking nut (D) with the flange bolt (E).
5.Raise the lower arm with a floor jack until the vehicle just lifts off the safety stand.
6.Tighten the damper pinch bolt to the specified torque.
7.Tighten the flange bolt and the self-locking nut to the specified torque.
8.Tighten the flange nuts on the top of the damper to the specified torque.
9.Install the front wheels.

Rear


Damper/Spring Replacement
Special Tools Required
Strut spring compressor, Branick MST-580A or Model 7200 or equivalent, Commercially Available
Removal
1.Raise the rear of the vehicle, and make sure it is securely supported. Remove the rear wheels.
2.Remove the rear shelf.

3.Remove the two flange nuts (A).
4.Place a jack under the knuckle to support the suspension.

5.Remove the flange bolt (A) from the knuckle.
6.Remove the flange nut (B) while holding the joint pin (C) with a hex wrench (D), and disconnect the stabilizer link (E) from the stabilizer link bracket.
7.Lower the rear suspension, and remove the damper (F) from the vehicle.
NOTE: Damper springs are different, left and right. Mark the springs L and R before you continue.
Disassembly/Inspection

1.Compress the damper spring with a commercially available strut spring compressor (A) according to the manufacturer's instructions, then remove the self-locking nut (B). Do not compress the spring more than necessary to remove the self-locking nut.
2.Release the pressure from the strut spring compressor, then disassemble the damper as shown in the Exploded View.
3.Reassemble all parts, except the spring.
4.Compress the damper assembly by hand, and check for smooth operation through a full stroke, both compression and extension. The damper should extends smoothly and constantly when the compression is released. If it does not, the gas is leaking, and the damper should be replaced.
5.Check for oil leaks, abnormal noises, and binding during these tests.
Reassembly

1.Install the damper unit on a commercially available strut spring compressor (A).
2.Assemble the damper in the reverse order of disassembly, except for the washer and self-locking nut. Align the bottom end of the damper spring and the stepped part of the spring lower seat (B).
3.Position the damper mounting base on the damper unit.
4.Compress the damper spring with the spring compressor.

5.Install the washer(A), and loosely install a new self-locking nut (B).
6.Hold the damper shaft with a hex wrench, and tighten the self-locking nut.
Installation

1.Lower the rear suspension, position the damper (A), and loosely install the two flange nuts (B).

2.Loosely install the flange bolt (A) and nut (B) of the stabilizer link.
3.Raise the rear suspension with a floor jack until the vehicle just lifts off the safety stand.
4.Tighten the flange bolt at the bottom of the damper to the specified torque.
5.Tighten the flange nut of the stabilizer link ball joint to the specified torque while holding the joint pin (C) with a hex wrench (D).
6.Tighten the two flange nuts on top of the damper to the specified torque.
7.Install the rear shelf.
8.Install the rear wheels.
9.Set the rear wheel alignment.

ZETA , ur the goat 🐐

Not to hijack...but where do you get your new castle nuts from for the ball joint?
Reply
Old Mar 23, 2026 | 05:35 PM
  #11  
zeta's Avatar
Suzuka Master
20 Year Member
Liked
Loved
Community Favorite
iTrader: (1)
 
Joined: Aug 2003
Posts: 6,891
Likes: 2,205
From: S. Florida
^
Search that part number, they are everywhere on the web.

Reply
Related Topics
Thread
Thread Starter
Forum
Replies
Last Post
IneedaTSX
1G TSX Tires, Wheels, & Suspension
8
Dec 3, 2005 04:27 PM
Pure Adrenaline
2G TL Tires, Wheels & Suspension
38
Sep 1, 2005 01:02 PM




All times are GMT -5. The time now is 09:01 PM.