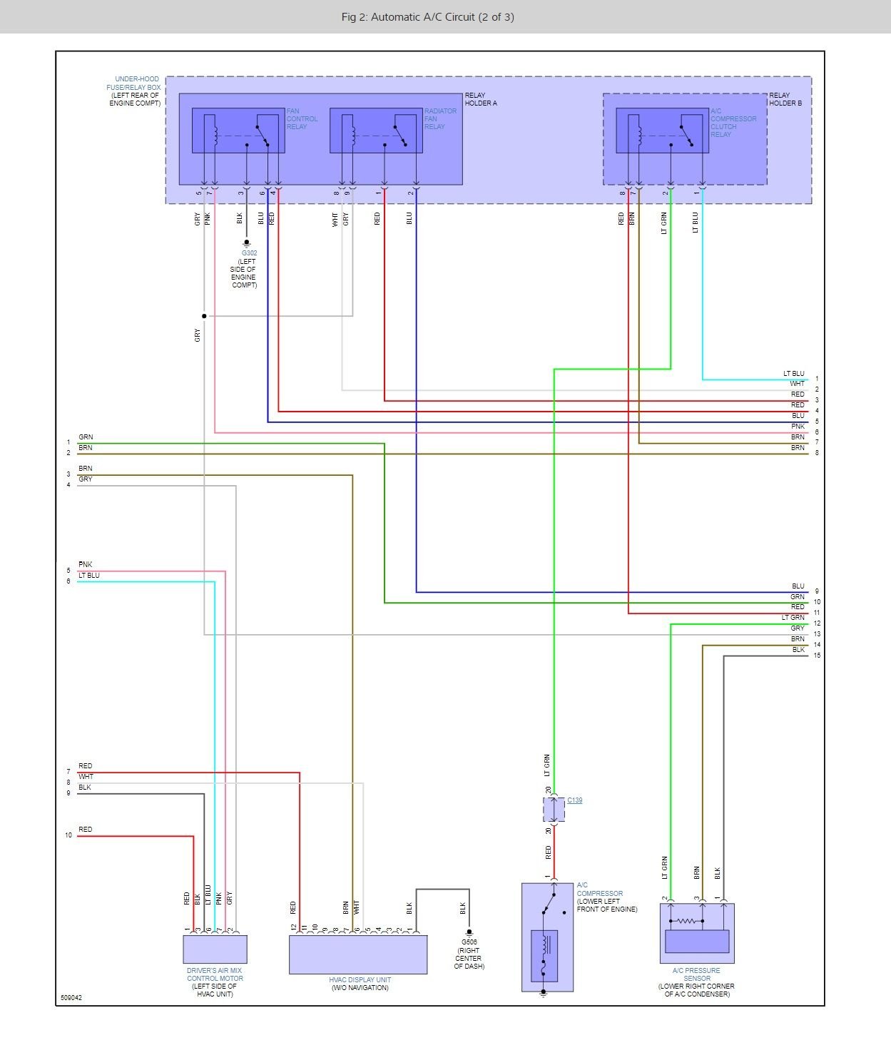
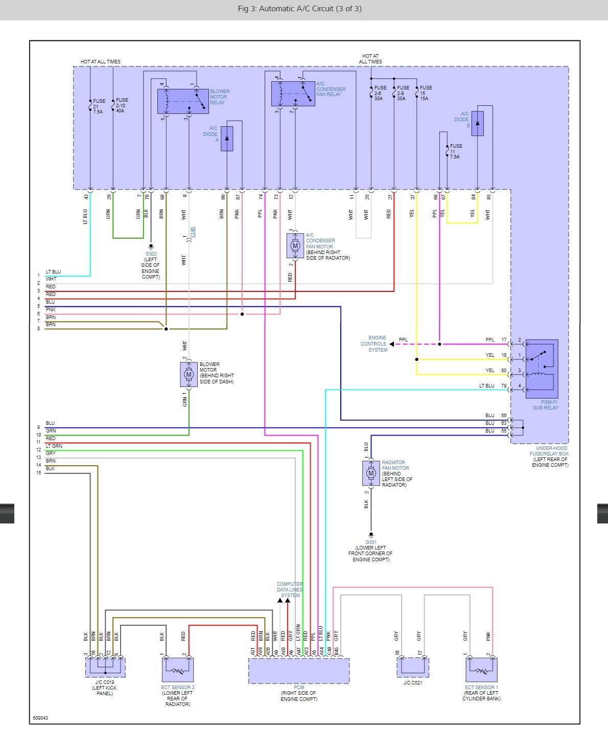
Looking for wiring diagram for 2017 climate control (tech package)
Hopefully someone can provide this to you, but if all else fails, you might need to fork out some money to get access to the service manual https://techinfo.honda.com/
Thread
Thread Starter
Forum
Replies
Last Post
Furnace
6G TLX (2021+)
3
Oct 20, 2021 04:00 PM
amer
4G TL (2009-2014)
155
Mar 7, 2012 01:56 PM
cd5-obsession
2G CL (2001-2003)
4
Jul 12, 2008 10:54 PM
Philbert
1G RDX (2007-2012)
6
Oct 20, 2006 10:43 PM






